Перейти к:
Исследование процессов электронагрева токами высокой частоты в магнитном поле
https://doi.org/10.23947/2541-9129-2025-9-4-331-340
EDN: PLICAE
Аннотация
Введение. При нагреве железоуглеродистых сплавов токами высокой частоты (ТВЧ) на высоких скоростях могут наблюдаться более значимые эффекты упрочнения, чем при применении машинных генераторов. Поэтому проводить закалку в таких условиях было бы целесообразнее, однако повышение частоты генератора влечет за собой уменьшение глубины проникновения вихревых токов и ведет к большей неравномерности прогрева по сечению. Наложение постоянного внешнего магнитного поля при закалке ТВЧ может приводить к увеличению глубины проникновения вихревых токов и более равномерному прогреву. Но в научной литературе еще недостаточно сведений о влиянии внешнего магнитного поля на процессы нагрева ТВЧ, а также на фазовые превращения в сталях. В настоящий момент количественных оценок влияния внешнего магнитного поля на изменение кинетики электронагрева и глубины проникновения вихревых токов не имеется. В связи с вышесказанным цель авторов настоящей статьи — изучить изменения в кинетике нагрева ТВЧ железоуглеродистых сплавов при наложении внешнего постоянного магнитного поля и на этой основе рассмотреть возможности применения данной технологии.
Материалы и методы. Теоретическая оценка влияния внешнего магнитного поля на изменения кинетики электронагрева и глубины проникновения вихревых токов дана на основе общей теории кинетики индукционного нагрева. Экспериментальное изучение влияния магнитного поля на кинетику нагрева ТВЧ проводилось на образцах из стали 45, перлитного серого (СЧ30) и ферритного ковкого чугуна (КЧ30-6). Исследование распределения температуры по сечению ферромагнитного материала при индукционном нагреве во внешнем магнитном поле осуществлялось на специальных образцах из технического железа, стали 45 и серого перлитного чугуна СЧ30. Изучение процессов электроотпуска проходило на образцах из стали У8А с использованием лампового генератора (температура нагрева — 450 ℃, скорость нагрева — 750 ℃/с). Исследовались изменения балла аустенитного зерна после скоростного нагрева с внешним подмагничиванием на образцах стали с пониженной прокаливаемостью 55ПП. Для исследования процессов термической обработки в магнитном поле при проведении экспериментов с нагревом образцов токами высокой частоты создан электромагнит специальной конструкции для наложения внешнего постоянного магнитного поля.
© Пустовойт В.Н., Долгачев Ю.В., Пивченков А.С., 2025 |
Результаты исследования. Построены теоретические кривые для условий нагрева без поля и с наложением внешнего постоянного магнитного поля. Экспериментальные данные о влиянии внешнего постоянного магнитного поля на индукционный нагрев в поверхностном слое различных материалов были сведены в кинетические диаграммы. Доказательством того, что наблюдаемые изменения связаны именно с увеличением глубины проникновения вихревых токов, являются опытные данные, полученные на цилиндрических образцах из стали 45 с разной толщиной стенки. Приведены кинетические кривые оценки температурного поля (по шести точкам на разной глубине) в процессе нагрева ТВЧ с внешним подмагничиванием и без него. Получены экспериментальные данные, показывающие распределение микротвердости по сечению образца из стали У8 после закалки, закалки и электроотпуска, закалки и электроотпуска с внешним подмагничиванием и закалки и объемного отпуска, а также результаты исследования балла аустенитного зерна стали 55ПП после скоростного нагрева с внешним подмагничиванием и обычного (медленного) глубинного нагрева.
Обсуждение. Наложение внешнего постоянного магнитного поля высокой напряженности на этапе первого квазистационарного процесса приводит к снижению скорости индукционного нагрева ферромагнитного материала и увеличению глубины его равномерного прогрева. Выше точки Кюри влияние магнитного поля не сказывается из-за малой магнитной восприимчивости материала, поэтому скорость нагрева остается такой же, какая была бы в этом температурном интервале без поля. Кроме того, ввиду незначительной разницы значений магнитной проницаемости ниже и выше точки Кюри при нагреве в поле термическая кривая не имеет столь заметного перегиба, характерного для кинетических кривых при переходе поверхностного слоя в парамагнитное состояние. Эксперименты с электроотпуском доказали, что с наложением внешнего поля удается отпустить материал на необходимую глубину и появляется возможность его проведения на одной установке ТВЧ. Размер зерен аустенита после скоростного нагрева с подмагничиванием уменьшается, по сравнению с обычным глубинным нагревом стали с пониженной прокаливаемостью, что устраняет проблему индукционного нагрева сталей с пониженной прокаливаемостью.
Заключение. Результаты исследования показали, что наложение внешнего магнитного поля позволяет реализовать эффекты упрочнения при нагреве с более высокими частотами и устранить недостатки такого нагрева.
Для цитирования:
Пустовойт В.Н., Долгачев Ю.В., Пивченков A.С. Исследование процессов электронагрева токами высокой частоты в магнитном поле. Безопасность техногенных и природных систем. 2025;9(4):331-340. https://doi.org/10.23947/2541-9129-2025-9-4-331-340. EDN: PLICAE
For citation:
Pustovoit V.N., Dolgachev Yu.V., Pivchenkov A.S. Study of the Processes of Electric Heating Using High-Frequency Currents in a Magnetic Field. Safety of Technogenic and Natural Systems. 2025;9(4):331-340. https://doi.org/10.23947/2541-9129-2025-9-4-331-340. EDN: PLICAE
Введение. Основные принципы технологии термической обработки стали в магнитном поле (ТОМП) изложены в монографии [1], эта технология позволяет получать такие структурные состояния и свойства, которые невозможно достичь при обычных режимах. Одной из особенностей ТОМП является ее целесообразность при поштучной обработке изделий [2], например, с применением в виде источника нагрева токов высокой частоты (ТВЧ) [3].
Поскольку при нагреве ТВЧ с высокими скоростями могут наблюдаться более ощутимые эффекты упрочнения, чем при применении машинных генераторов, было бы целесообразно проводить закалку при более высоких частотах, но повышение частоты генератора влечет за собой снижение глубины проникновения вихревых токов и большую неравномерность прогрева по сечению. Теоретические и практические аспекты нагрева металлических изделий ТВЧ довольно хорошо представлены в [4][5]. Однако сведений об изменениях, происходящих с индукционным высокоскоростным нагревом при наложении внешнего постоянного магнитного поля, особенно в контексте протекающих фазовых превращений в сталях, на сегодняшний день недостаточно.
Опытным путем получены качественные данные [4] о том, что наложение постоянного внешнего магнитного поля при закалке ТВЧ может приводить к увеличению глубины проникновения вихревых токов, что, в свою очередь, повышает равномерность прогрева на этапе первого квазистационарного процесса электронагрева [6]. Наиболее целесообразным с технологической точки зрения является применение этого явления при скоростном электроотпуске [7][8], так как существует проблема недостаточной глубины прогрева ТВЧ ферромагнитного закаленного слоя, что делает необходимым использование для нагрева под отпуск другого генератора, работающего на более низкой частоте. В настоящий момент количественных оценок влияния внешнего магнитного поля на изменение кинетики электронагрева и глубины проникновения вихревых токов нет.
В связи с вышесказанным авторами данного исследования поставлена цель изучить изменения в кинетике нагрева ТВЧ железоуглеродистых сплавов при наложении внешнего постоянного магнитного поля и на основе полученных результатов рассмотреть возможности их технологического применения.
Материалы и методы. Теоретическая оценка влияния внешнего магнитного поля на изменение кинетики электронагрева и глубины проникновения вихревых токов дана на основе общей теории кинетики индукционного нагрева [9][10]. Уравнение теплопроводности в случае нагрева стали до температуры магнитных превращений в поверхностном слое используется с введением безразмерных величин времени (критерий Фурье
), температуры (критерий Кирпичева
), без учёта переходного процесса перераспределения мощности (P) и имеет вид:
(1)
где R — радиус цилиндрического образца.

где δ — глубина проникновения вихревых токов; μ — относительная магнитная проницаемость материала; μ0 — магнитная проницаемость воздуха; f — частота тока; ρ — удельное электрическое сопротивление материала; λ — коэффициент теплопроводности; α — коэффициент температуропроводности; T(x, τ) — температура в функции времени (τ) и расстояния от поверхности (x); T0 — начальная температура.
Экспериментальное изучение влияния магнитного поля на кинетику нагрева ТВЧ производилось на образцах из стали 45, перлитного серого (СЧ30) и ферритного ковкого чугуна (КЧ30-6). Показания термопары от поверхностного слоя фиксировались с помощью аналого-цифрового преобразователя (АЦП) L-CARD E14-440 (разрядность — 14 бит, частота преобразования — до 400 кГц). Использовались сплошные цилиндрические образцы Æ 0,8 мм различных материалов, а также полые образцы из стали 45 с толщиной стенки в 1 и 2 мм.
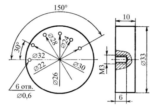
Исследование распределения температуры по сечению ферромагнитного материала при индукционном нагреве во внешнем магнитном поле осуществлялось на специальных образцах (рис. 1) из технического железа, стали 45 и серого перлитного чугуна СЧ30. Как видно на рис. 1, на таком образце контроль температур осуществлялся в шести точках, расположенных на удалении от края на 1, 3, 5, 7, 9, 11 мм. В каждом из отверстий Æ 0,6 мм устанавливалась термопара типа ТХА Æ 0,2 мм, подключенная к одному из 16 дифференциальных каналов ввода АЦП L-CARD E14–440, передававших данные в ПЭВМ с одновременной записью всех каналов в программе LGraph2.

Рис. 1. Конструкция образцов для оценки температурного поля
Изучение процессов электроотпуска проходило на образцах из стали У8А с использование лампового генератора. Электроотпуск проводился при 450 °C, скорость нагрева — 750 °C /с. Обычный отпуск в печи длился в течение часа. Измерение микротвердости осуществлялось на приборе ПМТ-3 при нагрузке в 100 г.
Изменения балла аустенитного зерна после скоростного нагрева с внешним подмагничиванием исследовали на образцах стали 55ПП Æ 18 мм. Нагрев осуществлялся до температуры 450 °C с использованием машинного (скорость нагрева в области фазовых превращений — 8 °C/c) и лампового (90 °C/c) генераторов. Границы аустенитного зерна выявлялись химическим травлением в подогретом до 60 °C однопроцентном растворе пикриновой кислоты с добавлением моющего средства. Строились гистограммы по результатам измерения наибольших из видимых в плоскости шлифа зерен dj на 20 полях зрения при увеличении × 1000. Средние истинные диаметры зерна вычислялись по формуле:
(2)
где nj — число измеренных сечений в j-й группе размеров; k — число групп.
Задача исследования процессов ТОМП применительно к скоростному ТВЧ нагреву имеет ряд технических трудностей, связанных с наложением внешнего постоянного магнитного поля вокруг индуктора, в связи с чем был сконструирован специальный электромагнит, имеющий ряд особенностей. Оси кернов максимально приближены к панели высокочастотного генератора, что обусловливает применение сердечника и катушек прямоугольного сечения. Магнитная цепь электромагнита имеет двойное обратное ярмо. Используются водоохлаждаемые конические полюсные наконечники. Сечение кернов относительно ярма увеличено на 130 %, что позволяет снизить его магнитное сопротивление и минимизировать рассеивающий поток. Коническая форма наконечников позволяет добиться увеличения напряженности поля в рабочем воздушном зазоре в 50 мм до 600 кА/м.
Результаты исследования. На основании уравнения (1) были построены теоретические кривые для условий нагрева без поля и с наложением внешнего постоянного магнитного поля (рис. 2). Расчёт проводился для цилиндрического образца диаметром 8 мм из стали с ферритной структурой: ρ = 36 ⋅ 10⁻⁸ Ом⋅м; μ = 1 000 — при температуре 20 °C, μ = 1 — выше точки Кюри; μ = 7 при температуре 20 °C в магнитном поле напряженностью 160 кА/м (с учётом внешнего размагничивающего фактора образца); f = 440 кГц; с допущением, что точка Кюри соответствует безразмерной температуре Ki = 1,13. По внешнему виду кривых можно судить как минимум о большей равномерности процесса нагрева в случае внешнего подмагничивания.

Рис. 2. Теоретические кривые скоростного нагрева без наличия внешнего магнитного поля (сплошная линия) и в его присутствии (штриховая линия)
Экспериментальные данные о влиянии внешнего постоянного магнитного поля на индукционный нагрев в поверхностном слое различных материалов были сведены в кинетические диаграммы и показаны на рис. 3.

Рис. 3. Термические кривые индукционного нагрева без магнитного поля (сплошная линия) и с наложением поля (штриховая линия) на образцах из: а, б — сталь 45; в — КЧ30-6; г — СЧ30
Доказательством того, что наблюдаемые изменения связаны именно с увеличением глубины проникновения вихревых токов, являются опытные данные, полученные на цилиндрических образцах из стали 45, имеющих разную толщину стенки (1 и 2 мм и сплошной цилиндр Æ 8 мм), их кривые нагрева показаны на рис. 4.

Рис. 4. Термокривые образцов без внешнего поля (сплошная линия) и в магнитном поле (штриховая линия) с толщиной стенки: а — 1 мм; б — 2 мм; в — сплошной цилиндр Æ 8 мм
Результаты оценки температурного поля (по шести точкам на разной глубине) в процессе нагрева ТВЧ с внешним подмагничиванием и без него приведены на рис. 5 и 6. На рис. 5 показаны кинетические кривые для перлитного серого чугуна СЧ30, а на рис. 6 — для стали 45.

Рис. 5. Кривые нагрева СЧ30 (а — без поля; б — в магнитном поле) на удалении от поверхности на:
1 — 1 мм; 2 — 3 мм; 3 — 5 мм; 4 — 7 мм; 5 — 9 мм; 6 — 11 мм
При нагреве в магнитном поле глубина проникновения вихревых токов не зависит от структуры материала и оказывается в ~10 (для перлитной) и 17 (для ферритной) раз больше, чем при нагреве без поля. Это указывает на возможность реализовать на практике режим закалки с электроотпуском при нагреве от одного генератора, так как без подмагничивания невозможен прогрев всей закалённой зоны. На рис. 7 приведены экспериментальные данные, показывающие распределение микротвердости по сечению образца из стали У8 после закалки, закалки и электроотпуска, закалки и электроотпуска с внешним подмагничиванием, закалки и объемного отпуска.

Рис. 6. Распределение температуры на разном удалении от поверхности при обычном нагреве (сплошная линия) и с внешним подмагничиванием (штриховая линия) в моменты времени:
1 — 3 с; 2 — 6 с; 3 — 7 с; 4 — 11,5 с

Рис. 7. Распределение микротвердости по сечению после:
1 — закалки ТВЧ; 2 — закалки ТВЧ и электроотпуска без подмагничивания; 3 — закалки ТВЧ и электроотпуска с подмагничиванием; 4 — закалки ТВЧ и объёмного отпуска в печи
Углеродистые стали, имеющие пониженную прокаливаемость, могут быть подвергнуты поверхностной закалке ТВЧ [11][12], но для нее характерна малая скорость нагрева в области фазовых превращений, что определяет крупное зерно аустенита (и соответственно уменьшенные показатели механических свойств в поверхностном слое). Получается, что характерные особенности тонкой структуры аустенита, которые обусловлены индукционном нагревом, нивелируются ростом зерна — теряются высокие показатели конструктивной прочности. На рис. 8 приведены результаты исследования балла аустенитного зерна стали 55ПП после скоростного нагрева с внешним подмагничиванием и обычного (медленного) глубинного нагрева.

Рис. 8. Распределение зерен γ-фазы по размерам при нагреве ТВЧ:
а — с наложением внешнего магнитного поля; б — без поля
Обсуждение. Изменения в кинетике нагрева токами высокой частоты наблюдаются при наложении внешнего магнитного поля, напряженность которого достаточна для магнитного насыщения. Такое воздействие приводит к изменению магнитных характеристик обрабатываемой стали, а именно к снижению ее магнитной проницаемости [13]. Данное поведение является естественным для намагничивания на стадии парапроцесса, оно, в свою очередь, вызывает снижение коэффициента k, который обратно пропорционален глубине проникновения вихревых токов, и удельной тепловой мощности. Можно привести аналогию с увеличением глубины проникновения тока в металл при переходе его из ферромагнитного в парамагнитное состояние. Но имеется физическое различие в природе парамагнитного состояние металла и состояния ферромагнетика, намагниченного в области парапроцесса. Они похожи лишь малыми значениями относительной магнитной проницаемости. Таким образом, наличие внешнего магнитного поля на этапе первого квазистационарного процесса приводит к снижению скорости индукционного нагрева ферромагнитного материала и увеличению глубины его равномерного прогрева.
Магнитная восприимчивость резко падает выше точки Кюри, поэтому внешнее магнитное поле при этих температурах не оказывает влияния на скорость нагрева. При этом благодаря малой разнице в значениях магнитной проницаемости ниже и выше точки Кюри в присутствии внешнего поля на кривой нагрева отсутствует перегиб, характерный для перехода поверхностного слоя в парамагнитное состояние. В полях с большей напряженностью кривая нагрева будет превращаться в прямую линию (с тангенсом угла наклона к оси времени, соответствующему скорости нагрева выше точки Кюри). Сравнение зависимостей на рис. 2 и 3 показывает схожесть общих закономерностей и правомерности ранее сделанных выводов.
Вне зависимости от использованного материала во всех случаях, приведённых на рис. 3, наблюдаются следующие закономерности: на начальном этапе нагрева в случае применения внешнего магнитного поля снижается скорость нагрева вплоть до точки Кюри. При наличии внешнего магнитного поля перепад скорости нагрева вблизи критической точки на диаграмме менее резок. По окончании фазового превращения скорости нагрева с полем и без поля практически сравниваются.
Как можно увидеть на рис. 4, кривые нагрева при обычном ТВЧ нагреве и с наложением внешнего поля сближаются с уменьшением толщины стенки образца вплоть до почти полного их совпадения в случае толщины в 1 мм. Данное явление объясняется тем, что толщина стенки приближается к глубине проникновения вихревых токов без внешнего подмагничивания.
На рис. 5 хорошо видно, что влияние магнитного поля значительно снижает разброс температур вблизи поверхности на первых этапах нагрева, в то время как без применения магнитного поля разброс составляет около 250 °C по всей исследуемой глубине и около 50 °C от поверхности до точки на расстоянии 1 мм. В то же время после достижения точки Кюри характеры распределения температур становятся схожими, при этом наблюдается более резкое снижение температуры на поверхности у образца, обрабатываемого без наложения внешнего поля.
Как можно увидеть на рис. 6, в образце из стали 45 наблюдается аналогичная картина с получением большей равномерности нагрева по сечению при наложении внешнего магнитного поля вплоть до точки Кюри. Когда поверхностный слой образца, нагреваемого в поле, достигает температуры Кюри, глубина проникновения тока в материал изменяется незначительно (кривые 3 и 4), так как при этом не происходит резкого уменьшения магнитной проницаемости. А в образце, который нагревался без поля, после перехода в парамагнитное состояние происходит перераспределение индуктируемой мощности и отвод теплоты от поверхности к сердцевине, что вызывает уменьшение температурного перепада по сечению. В этом случае (кривая 4) характеры распределения температуры оказываются одинаковыми для обоих режимов нагрева, но с сохранением большей равномерности прогрева в случае подмагничивания.
Как показали эксперименты с электроотпуском (рис. 7), без наложения внешнего поля не удается отпустить материал на необходимую глубину: отпуск происходит на глубине до 1 мм при глубине закаленного слоя в три раза больше. В то же время глубина электроотпуска с подмагничиванием выше, что позволяет произвести его на той же установке. При этом твердость, полученная при электроотпуске с подмагничиванием, имеет большие значения, чем после обычного печного отпуска.
Гистограммы распределения размеров зерен аустенита после скоростного с подмагничиванием и обычного глубинного нагрева стали с пониженной прокаливаемостью показывают, что при первом режиме средний диаметр зерна оказывается меньше на 12,96 мкм (рис. 8). Таким образом, проблемы с ростом зерна аустенита, возникающие при индукционном нагреве сталей с пониженной прокаливаемостью, могут быть устранены при использовании внешнего подмагничивания.
Заключение. Результаты исследования свидетельствуют: наложение внешнего магнитного поля при температурах ниже точки Кюри увеличивает глубину проникновения вихревых токов, что, в свою очередь, способствует более равномерному нагреву материала. Это позволяет реализовывать эффекты упрочнения при нагреве с более высокими частотами и устранять недостатки такого нагрева, проявляющиеся без подмагничивания. Наблюдаемые изменения при наличии подмагничивания при нагреве ТВЧ объясняются снижением магнитной проницаемости обрабатываемого материала, которой прямо пропорциональна глубина проникновения вихревых токов. При достижении точки Кюри влияние данного эффекта нивелируется. Было показано, что при наложении внешнего магнитного поля технологически становится возможным проведение скоростного электроотпуска на одном генераторе с получением больших значений твердости, чем при обычном отпуске. Также является целесообразным использование скоростного подмагничивания для поверхностной закалки ТВЧ сталей пониженной прокаливаемости, так как устраняется проблема крупного аустенитного зерна, возникающая при обычном глубинном нагреве.
Список литературы
1. Пустовойт В.Н., Долгачев Ю.В. Магнитная гетерогенность аустенита и превращения в сталях. Ростов-на-Дону: Донской государственный технический университет; 2021. 198 с.
2. Pustovoit VN, Dolgachev YV. Distortion-Free Heat Treatment of Thin Rods in Magnetic Field. Materials Performance and Characterization. 2018;7(6):20170159. https://doi.org/10.1520/MPC20170159
3. Pustovoit VN, Dolgachev YV, Dombrovskii YM. The Technology of Distortion-Free Quenching in a Magnetic Field of Thin-Walled Details of the Ring Form. Solid State Phenomena. 2021;316:233–239. https://doi.org/10.4028/www.scientific.net/SSP.316.233
4. Rudnev V, Loveless D, Cook RL. Handbook of Induction Heating. CRC press; 2017. 772 p.
5. Haimbaugh RE. Practical Induction Heat Treating, Second Edition. ASM International; 2015. 380 p.
6. Формалев В.Ф. Теплоперенос в анизотропных твердых телах. Численные методы, тепловые волны, обратные задачи. Москва: Физматлит; 2015. 274 с.
7. Сергеев Н.Н., Сергеев А.Н., Кутепов С.Н., Гвоздев А.Е., Чуканов А.Н., Агеева Е.В. Влияние термической обработки на механические свойства арматурного проката. Известия Юго-Западного государственного университета. Серия: Техника и технологии. 2021;11(2):8–25. URL: https://techusgu.elpub.ru/jour/article/view/101 (дата обращения: 10.10.2025).
8. Кутепов С.Н., Гвоздев А.Е. Влияние режимов отпуска на механические и коррозионные свойства термомеханически упрочненного арматурного проката. В: Труды VIII Международной научной конференции «Влияние современности на науку и практику». Мадрид: Испания; 2021. 193 p.
9. Гордиенко А.И., Гурченко П.С., Михлюк А.И., Вегера И.И. Обработка изделий машиностроения с применением индукционного нагрева. Минск: Белорусская наука; 2009. 287 с.
10. Lupi S. Induction Heating. Fundamentals of Electroheat: Electrical Technologies for Process Heating. Springer Cham; 2017. P. 353–524.
11. Костюкович Г.А., Попрукайло А.В., Овчинников Е.В., Веремейчик А.В., Хвисевич В.М., Линник Д.А. Технология термообработки крестовин карданных передач токами высокой частоты. В: Международный сборник научных трудов «Механика. Исследования и инновации». Вып. 17. Гомель: БелГУТ; 2024. С. 77–84.
12. Цыбулин И.А. Анализ способов повышения долговечности рабочих органов почвообрабатывающих орудий и обоснование актуальности дальнейшего изучения процесса упрочнения импульсным электроконтактным нагревом. В: Труды международной научно-практической конференции, посвященной 100-летию кафедры сельскохозяйственных машин агроинженерного факультета Воронежского государственного аграрного университета имени императора Петра I. «Инновационные направления развития технологий и технических средств механизации сельского хозяйства». Воронеж. 25 декабря 2015 года. Т. 1, ч. II. Воронеж: Воронежский государственный аграрный университет им. Императора Петра I; 2015. С. 333–339.
13. Tumanski S. Handbook of Magnetic Measurements. CRC Press; 2016. 404 p. URL: https://books.google.ru/books?id=s0npF4E5jasC&hl=ru&num=15 (accessed: 09.11.2025).
Об авторах
В. Н. ПустовойтРоссия
Виктор Николаевич Пустовойт, доктор технических наук, профессор кафедры «Материаловедение и технологии металлов»
ElibraryID: 149062
ScopusID: 7006220091
344003, г. Ростов-на-Дону, пл. Гагарина, 1
Ю. В. Долгачев
Россия
Юрий Вячиславович Долгачев, доктор технических наук, доцент кафедры «Материаловедение и технологии металлов»
ElibraryID: 617248
ScopusID: 55151183800
344003, г. Ростов-на-Дону, пл. Гагарина, 1
A. С. Пивченков
Россия
Алексей Сергеевич Пивченков, магистрант кафедры «Материаловедение и технологии металлов»
ElibraryID: 1219045
344003, г. Ростов-на-Дону, пл. Гагарина, 1
Изучено влияние внешнего магнитного поля на нагрев железоуглерода. Показано, что поле увеличивает глубину проникновения вихревых токов в металл. Получены кинетические кривые нагрева и распределения температуры по сечению. Установлено повышение равномерности прогрева и микротвердости после обработки. Показано измельчение зерна аустенита при скоростном нагреве с внешним полем. Результаты пригодны для совершенствования закалки и отпуска деталей из стали и чугуна.
Рецензия
Для цитирования:
Пустовойт В.Н., Долгачев Ю.В., Пивченков A.С. Исследование процессов электронагрева токами высокой частоты в магнитном поле. Безопасность техногенных и природных систем. 2025;9(4):331-340. https://doi.org/10.23947/2541-9129-2025-9-4-331-340. EDN: PLICAE
For citation:
Pustovoit V.N., Dolgachev Yu.V., Pivchenkov A.S. Study of the Processes of Electric Heating Using High-Frequency Currents in a Magnetic Field. Safety of Technogenic and Natural Systems. 2025;9(4):331-340. https://doi.org/10.23947/2541-9129-2025-9-4-331-340. EDN: PLICAE

































